Only

2025

ärker?

Class A-Stereo Röhren-Verstärker

Projekt-Beginn (Schaltungsentwurf) 2012, Fertigstellung 2025
Breite: 33cm, Höhe: 22cm, Tiefe: 38cm, Gewicht: 30 kg

.


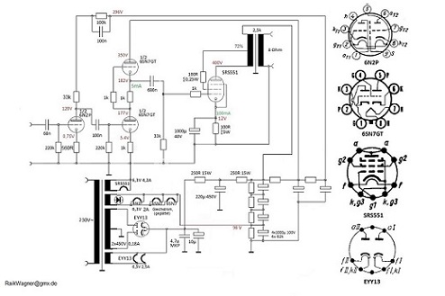
Dieser Verstärker nutzt die seltene Hochleistungs-Pentode RS1003 oder alternativ SRS551 in einer  Single-Ended-Konfiguration. Die Besonderheit der Schaltung ist die ungewöhnlich tiefe Ultra-Linear-Anzapfung bei 72% der Primärwicklung des Ausgangsübertragers. Während herkömmliche UL-Schaltungen meist bei 40% arbeiten, verschiebt dieser Arbeitspunkt die Röhrencharakteristik fast vollständig in den Bereich einer Echt-Triode.

Die Vorzüge der 72%-Konfiguration
Linearität: Durch die starke lokale Gegenkopplung über das Schirmgitter werden harmonische Verzerrungen bereits am Entstehungsort minimiert, noch bevor eine globale Gegenkopplung greifen müsste.

    Dämpfungsverhalten: Die Schaltung erzielt einen niedrigen Innenwiderstand, was zu einer präzisen Kontrolle der Lautsprechermembranen führt – ein entscheidender Vorteil gegenüber dem klassischen Pentodenbetrieb.

    Klangcharakter: Das Ergebnis ist das typische, Klangbild einer Triode, jedoch mit der thermischen Stabilität und Robustheit einer professionellen Senderöhre.
Die 72%-UL-Variante erscheint mir als der "goldene Mittelweg". Sie bietet fast die Sauberkeit einer 300B-Triode, aber mit der Kraft und Zuverlässigkeit modernerer Röhrentechnik.

top

Treiberstufe: Die Ansteuerung erfolgt über eine rauscharme 6N2P in Kombination mit einer 6SN7GT, die als SRPP-Stufe (Shunt Regulated Push-Pull) ausgelegt ist. Dies garantiert einen hohen Spannungshub bei gleichzeitig niedriger Ausgangsimpedanz des Treibers, um die Eingangskapazität der RS1003 mühelos zu bedienen

Mit einer Anodenspannung von 450V und einem Ruhestrom von 100mA arbeitet die RS1003 in einem stabilen Class-A-Bereich, unterstützt durch hochwertige Ausgangsübertrager, die auch bei tiefen Frequenzen eine hohe Sättigungsreserve bieten.

Die  "Platine"  aus grünem Marmor ist torsionsfest in einem  1cm² Vollstahl  Rahmen verbaut.



.

   

Der Schaltplan zum Gerät. 

Wie funktionieren Verstärker mit Röhren? (ein KI freier Vermittlungsveruch)

Dank der hochwertigen Reinhöfer-Ausgangsübertrager (M102-Kern) aus früherer Fertigung zeichnet sich der Verstärker durch eine exzellente Breitbandigkeit aus. Der große Eisenquerschnitt verhindert eine vorzeitige Sättigung im Bassbereich.

    Frequenzgang: 15 Hz – 35.000 Hz (-1 dB).

    Phasentreue: Die SRPP-Treiberstufe sorgt für eine stabile Phase bis weit über den hörbaren Bereich hinaus, was die räumliche Ortung  maßgeblich unterstützt.

2. Klirrspektrum (Harmonische Verzerrungen)

Die Besonderheit der 72%-UL-Schaltung spiegelt sich im Spektralverhalten wider. Die Schaltung ist darauf optimiert, das Spektrum zu den höheren Ordnungen hin steil abfallen zu lassen (monotonic decay).

    Dominanz: k2 (2. Harmonische) ist moderat ausgeprägt und verleiht dem Klang Körperlichkeit.

    Intermodulation: Durch die tiefe lokale Gegenkopplung der RS1003 werden ungeradzahlige Oberwellen (k3,k5) wirksam unterdrückt.

Klirrfaktor (THD): * < 0,5% bei 1 Watt (reiner Genussbereich)

        ca. 3% bei 7,5 Watt (kurz vor der Aussteuerungsgrenze)

3. Lastcharakteristik und Dämpfung

Obwohl im Single-Ended-Betrieb auf eine globale Gegenkopplung (GNFB) verzichtet wurde (Zero-Feedback-Design), sorgt die RS1003 im erweiterten UL-Betrieb für einen beachtlichen Dämpfungsfaktor.

Dies resultiert in einem räumlichen Klangbild mit einer natürlichen Staffelung in der Tiefe, die bei klassischen Pentodenschaltungen oft verloren geht. 
    Dämpfungsfaktor: ca. 3 (ideal für wirkungsgradstarke Lautsprecher oder Breitbänder).

4. Arbeitspunkt der RS1003

    Anodenspannung (Ua): 450 V

    Kathodenstrom (Ik): 100 mA (stabilisiert über Rk)

    Betriebsart: Pure Class-A

 Die RS1003 ist eine extrem kräftige Pentode (Pa,max?=60 W), aber in Single-Ended Class A, nahe am Trioden-Betrieb sind ihr durch die Physik Grenzen gesetzt. Praktisch werden bei 8 Ohm Last je Kanal 8 Watt sinus erzielt. Das ist aber schon recht passabel. Es handelt sich ja um 'echte' Class-A Trioden-Watt, die an wirkungsgradstarken Lautsprechern eine enorme Dynamik entfalten.

Frequenzbereich: 15 Hz – 35.000 Hz (-1 dB)

Leistungsaufnahme: 200 Watt

Betriebsspannung: 230Volt~

.

nightmode

 


 Zusammenfassend:

Laststabilität

Durch die massive Auslegung der Ausgangsübertrager und die niederohmige SRPP-Treiberstufe bleibt der Verstärker auch an komplexen Lasten stabil. Der sanfte Übergang in das Clipping-Verhalten (Soft-Clipping) bewahrt auch bei hohen Pegeln die musikalische Struktur. Die Verwendung der Reinhöfer M102-Kerne stellt sicher, dass der Übertrager auch bei Vollaussteuerung und tiefen Frequenzen nicht in die magnetische Sättigung gerät. Dies schützt die Endröhre vor unkontrollierten Stromspitzen im Bassbereich.

Besondere Bauteile

    RS1003: Langlebige Langlebens-Röhre mit hoher Steilheit.  Die RS1003 ist keine Standard-EL34 sondern eine "professionelle Senderöhre" mit hoher Bandbreite. Trotz der hohen Anodenspannung von 450 V arbeitet die Endstufe mit einer automatischen Gittervorspannung (Cathode Bias). Der Vorteil: Bei thermischer Drift oder Alterung der Röhre passt sich der Arbeitspunkt durch den Spannungsabfall am Kathodenwiderstand (Rk?) selbstständig an. Ein „Durchgehen“ der Röhre (Thermal Runaway) wird so effektiv verhindert.

    Die SRPP-Treiberstufe als Lastanker
mit niedriger Ausgangsimpedanz minimiert Miller-Effekt-Einflüsse der Endröhre für brillante Höhen. Die Wahl der 6SN7GT in SRPP-Schaltung trägt maßgeblich zur Stabilität des Gesamtsystems bei.  Phasenreserve: Da auf eine globale Gegenkopplung verzichtet wird (Zero Global Feedback), gibt es keine Gefahr von Phasenverschiebungen, die bei komplexen Lautsprecherlasten zu Instabilitäten führen könnten. Der Verstärker ist somit absolut leerlauffest.

Was vielleicht noch anzumerken ist:

Die Heizung der 6SN7GT Stufe ist auf 90Volt gelegt um die im Datenblatt vorgeschriebene Ufk einzuhalten. Grid-Stopper sorgen für HF-Stabilität. Es gibt eine klare Trennung von Schaltungsmasse und Schutzleiter. Beispielsweise ist der kugelgelagerte Lautstärkeregler mithilfe nichtleitender Keramikmagnete an den (Alp) Poti gekoppelt.

Die Deckel und Seitenverblendungen sind aus schwarz eloxiertem Aluminium (2mm - 1cm stark) gefertigt und wurden (im Rahmen einer handwerklich vertretbaren Genauigkeit) an den geschweißten Tragrahmen aus Stahl nahezu spaltfrei angepasst.

Seit inzwischen weit über 1000h (Test)Betrieb gibt es keine Komplikationen, das ganze Projekt stand dankbar unter einem guten Stern.  


x

Messung Frequenzgang anl. Jogis Röhrentreffen Mühlheim adR. 2014



Spektralanalyse 1kHz -> Klirr K2



unten

top-l

green display


SRS551

RS1003

6SN7GT

6N2P

wie Röhrenverstärker funktionieren (ein KI freier Vermittlungsversuch)

RaikWagner@gmx.de


off

Impressum